EUROSTANDARD TRACK
EUROSTANDARD TRACK can be selected for either non-dimmable spotlights or applications needing bluetooth control. The EUROSTANDARD PLUS TRACK DALI has an extra 2 conductors for use in DALI applications and is also offered in a H-section version, which can be used to add uplighting. All versions come in different lengths with mounting options which include direct, recessed, recessed trimless and suspended installation. The comprehensive range of compatible products and accessories complete this versatile product.
Technical features
Body
Legal references
On request
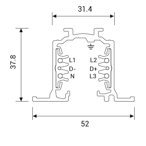
- The conductors are integrated in the track by means of rigid extruded profile made from insulating material guaranteeing high dielectric strength
- The 3 separate circuits consisting of 3 phase conductors and a common neutral allow for 3 lighting configurations to be switched individually
- The 3-phase supply allows for an overall loading of 16A (10500 VA) which can be divided among the 3 circuits (3×3500 VA)
- The earth, positioned on the side, leads to an asymmetrical structure of the track. As a consequence couplers must be selected carefully
Aluminum.
In compliance with the safety standards EN 60 598-1 and UNI EN 12464-1 (lighting for working places).
Recessed frameless version
Technical features
- The conductors are integrated in the track by means of rigid extruded profile made from insulating material guaranteeing high dielectric strength
- The 3 separate circuits consisting of 3 phase conductors and a common neutral allow for 3 lighting configurations to be switched individually
- The 3-phase supply allows for an overall loading of 16A (10500 VA) which can be divided among the 3 circuits (3×3500 VA)
- The earth, positioned on the side, leads to an asymmetrical structure of the track. As a consequence couplers must be selected carefully
Body
Aluminum.
Legal references
In compliance with the safety standards EN 60 598-1 and UNI EN 12464-1 (lighting for working places).
On request
Recessed frameless version
EUROSTANDARD TRACK
versions
ON/OFF version
EUROSTANDARD TRACK
EUROSTANDARD TRACK
EUROSTANDARD TRACK Download
Datasheets
code
flux
size
wiring
datasheet
specification items
15AA1A
1000mm
Standard
15AA2A
2000mm
Standard
15AA3A
3000mm
Standard
EUROSTANDARD PLUS TRACK DALI
EUROSTANDARD TRACK
EUROSTANDARD TRACK Download
Datasheets
code
flux
size
wiring
datasheet
specification items
15AA1DA
1000mm
Standard
15AA2DA
2000mm
Standard
15AA3DA
3000mm
Standard
EUROSTANDARD PLUS TRACK DALI Recessed
EUROSTANDARD TRACK
EUROSTANDARD TRACK Download
Optics
DALI version for recessed installation.
Technical features
- The conductors are integrated in the track by means of rigid extruded profile made from insulating material guaranteeing high dielectric strength
- The 3 separate circuits consisting of 3 phase conductors and a common neutral allow for 3 lighting configurations to be switched individually
- The 3-phase supply allows for an overall loading of 16A (10500 VA) which can be divided among the 3 circuits (3×3500 VA)
- The earth, positioned on the side, leads to an asymmetrical structure of the track. As a consequence couplers must be selected carefully
Datasheets
code
flux
size
wiring
datasheet
specification items
15AA1DI
1000mm
Standard
15AA2DI
2000mm
Standard
15AA3DI
3000mm
Standard
EUROSTANDARD PLUS TRACK DALI H
EUROSTANDARD TRACK
EUROSTANDARD TRACK Download
Optics
Dimmable version. Possibility of using the upper part as cable passage, or as housing for indirect luminairs or emergency group.
Technical features
- The conductors are integrated in the track by means of rigid extruded profile made from insulating material guaranteeing high dielectric strength
- The 3 separate circuits consisting of 3 phase conductors and a common neutral allow for 3 lighting configurations to be switched individually
- The 3-phase supply allows for an overall loading of 16A (10500 VA) which can be divided among the 3 circuits (3×3500 VA)
- The earth, positioned on the side, leads to an asymmetrical structure of the track. As a consequence couplers must be selected carefully
Datasheets
code
flux
size
wiring
datasheet
specification items
15AA1DH
1000mm
Dimmable
15AA2DH
2000mm
Dimmable
15AA3DH
3000mm
Dimmable